服務熱線
021-57488098
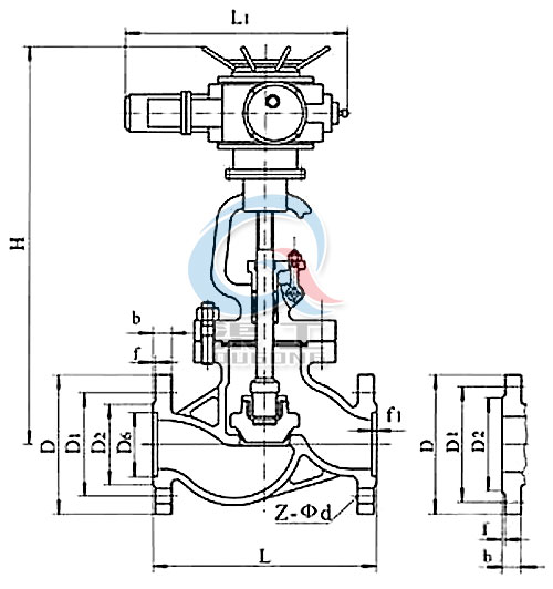
渠工品牌J941H/Y電動法蘭截止閥是由電動執行機構和法蘭連接式截止閥兩部分組成,電動法蘭截止閥的啟閉件是塞形的閥瓣,密封面呈平面或錐面,閥瓣沿流體的中心線作直線運動。閥桿的運動形式,有升降桿式(閥桿升降,手輪不升降),也有升降旋轉桿式(手輪與閥桿一起旋轉升降,螺母設在閥體上)。電動截止閥適用于全開和全關,不建議作調節和節流。
(1)結構緊湊、設計合理,閥門剛性好,通道流暢,流阻系數小。
(2)密封面采用不銹鋼和硬質合金,使用壽命長。
(3)采用柔性石墨填料、密封可靠、操作輕便靈活。
(4)驅動方式分手動、電動、氣動、齒輪傳功,結構型式:彈性楔式單閘板、剛性楔式單閘板和雙閘板型式。
(5)廣泛適用于石油化工,火力發電廠等油品、水蒸汽管路上作接通或截斷管路中介質的啟閉裝置。
| 閥體 | WCB、ZGlCrl8Ni9T、ZGlCrl8Ni2Mo2Ti、ZG00Crl7Nil4M02、ZGlCr5MO |
|---|---|
| 閥瓣 | WCB+D507MO、0Crl8Ni9Ti+Stellite12、CF8M+Stellite12、CF3M+Stellite12 |
| 螺紋壓套 | 2Crl3、lCrl8Ni9Ti、lCrl8Ni2Mo2Ti、316L、25Cr2Mo1VA |
| 閥桿 | 2Crl3、lCrl8Ni9Ti、lCrl8Ni2Mo2Ti、316L、25Cr2Mo1VA |
| 閥蓋 | WCB、ZGlCrl8Ni9T、ZGlCrl8Ni2Mo2Ti、ZG00Crl7Nil4M02、ZGlCr5MO |
| 填料 | 柔性石墨、PTFE |
| 壓蓋 | WCB、ZGlCrl8Ni9T、ZGlCrl8Ni2Mo2Ti、ZG00Crl7Nil4M02、ZGlCr5MO |
| 滑塊 | 2Crl3、lCrl8Ni9Ti、lCrl8Ni2Mo2Ti、316L、25Cr2Mo1VA |
| 電動執行器 | 殼體(HT200、WCB) |
| 設計與制造 | GB/T12235 | |
|---|---|---|
| 連接端尺寸 | 結構長度 | GB/T12221 |
| 法蘭尺寸 | JB/T79 | |
| 檢驗與試驗 | JB/T9092 | |
| 材 料 | 碳鋼 | GB/T12229 |
| 不銹鋼 | GB/T12230 | |
| 合金鋼 | Q/ZB66 | |
| 標 志 | GB/T12220 | |
| 供 貨 | JB/T7928 | |
| 壓力標準 | 公稱壓力(MPa) | |||
|---|---|---|---|---|
| 試驗壓力(MPa) | 1.6 | 2.5 | 4.0 | 6.4 |
| 強度試驗 | 2.4 | 3.75 | 6.0 | 9.6 |
| 密封試驗 | 1.76 | 2.75 | 4.4 | 7.04 |
![]() |
|---|
| 電動法蘭截止閥外形尺寸圖 |
| 公稱壓力PN(MPa) | 公稱通徑 DN(mm) | 標準值 | 參考值 | ||||||||||
|---|---|---|---|---|---|---|---|---|---|---|---|---|---|
| L | D | D1 | n2 | D6 | b | f | f1 | Z-φd | L1 | H | 質量(kg) | ||
| 1.6 | 50 | 230 | 160 | 125 | 100 | / | 16 | 3 | / | 4-φ18 | 590 | 645 | 48 |
| 65 | 290 | 180 | 145 | 120 | / | 18 | 3 | / | 4-φ18 | 590 | 690 | 60 | |
| 80 | 310 | 195 | 160 | 135 | / | 20 | 3 | / | 8-φ18 | 590 | 715 | 65 | |
| 100 | 350 | 215 | 180 | 155 | / | 20 | 3 | / | 8-φ18 | 590 | 770 | 71 | |
| 125 | 400 | 254 | 210 | 185 | / | 22 | 3 | / | 8-φ18 | 590 | 780 | 119 | |
| 150 | 480 | 280 | 240 | 210 | / | 24 | 3 | / | 8-φ23 | 590 | 810 | 210 | |
| 200 | 600 | 335 | 295 | 265 | / | 26 | 3 | / | 12-φ23 | 810 | 967 | 320 | |
| 250 | 622 | 405 | 355 | 320 | / | 30 | 3 | / | 12-φ25 | 810 | 1143 | 550 | |
| 300 | 698 | 460 | 410 | 375 | / | 30 | 4 | / | 12-φ25 | 830 | 1292 | 785 | |
| 2.5 | 50 | 230 | 160 | 125 | 100 | / | 20 | 3 | / | 4-φ18 | 590 | 645 | 50 |
| 65 | 290 | 180 | 145 | 120 | / | 22 | 3 | / | 8-φ18 | 590 | 690 | 65 | |
| 80 | 310 | 195 | 160 | 135 | / | 22 | 3 | / | 8-φ18 | 590 | 715 | 67 | |
| 100 | 350 | 230 | 190 | 160 | / | 24 | 3 | / | 8-φ23 | 590 | 770 | 73 | |
| 125 | 400 | 270 | 220 | 188 | / | 28 | 3 | / | 8-φ25 | 590 | 780 | 127 | |
| 150 | 480 | 300 | 250 | 218 | / | 30 | 3 | / | 8-φ25 | 810 | 810 | 215 | |
| 200 | 600 | 360 | 310 | 278 | / | 34 | 3 | / | 12-φ25 | 810 | 967 | 322 | |
| 250 | 622 | 425 | 370 | 332 | / | 36 | 3 | / | 12-φ30 | 830 | 1143 | 585 | |
| 300 | 698 | 485 | 430 | 390 | / | 40 | 4 | / | 16-φ30 | 830 | 1292 | 795 | |
| 4.0 | 50 | 230 | 160 | 125 | 100 | 88 | 20 | 3 | 4 | 4-φ18 | 590 | 645 | 61 |
| 65 | 290 | 180 | 145 | 120 | 110 | 22 | 3 | 4 | 8-φ18 | 590 | 690 | 75 | |
| 80 | 310 | 195 | 160 | 135 | 121 | 22 | 3 | 4 | 8-φ18 | 590 | 715 | 84 | |
| 100 | 350 | 230 | 190 | 160 | 150 | 24 | 3 | 4.5 | 8-φ23 | 590 | 770 | 101 | |
| 125 | 400 | 270 | 220 | 188 | 176 | 28 | 3 | 4.5 | 8-φ25 | 810 | 782 | 207 | |
| 150 | 480 | 300 | 250 | 218 | 204 | 30 | 3 | 4.5 | 8-φ25 | 810 | 875 | 226 | |
| 200 | 600 | 375 | 320 | 282 | 260 | 38 | 3 | 4.5 | 12-φ30 | 810 | 1160 | 399 | |
| 6.4 | 50 | 300 | 175 | 135 | 105 | 88 | 26 | 3 | 4 | 4-φ23 | 590 | 710 | 64 |
| 65 | 340 | 200 | 160 | 130 | 110 | 28 | 3 | 4 | 8-φ23 | 590 | 750 | 77 | |
| 80 | 380 | 210 | 170 | 140 | 121 | 30 | 3 | 4 | 8-φ23 | 590 | 785 | 86 | |
| 100 | 430 | 250 | 200 | 168 | 150 | 32 | 3 | 4.5 | 8-φ25 | 810 | 837 | 171 | |
| 125 | 500 | 295 | 240 | 202 | 176 | 36 | 3 | 4.5 | 8-φ30 | 810 | 1031 | 243 | |
| 150 | 550 | 340 | 280 | 240 | 204 | 38 | 3 | 4.5 | 8-φ34 | 830 | 1066 | 296 | |
| 200 | 650 | 405 | 345 | 300 | 260 | 44 | 3 | 4.5 | 12-φ34 | 830 | 1213 | 420 | |
| 10.0 | 50 | 300 | 195 | 145 | 112 | 88 | 28 | 3 | 4 | 4-φ25 | 590 | 714 | 81 |
| 65 | 340 | 220 | 170 | 138 | 110 | 32 | 3 | 4 | 8-φ25 | 590 | 734 | 102 | |
| 80 | 380 | 230 | 180 | 148 | 121 | 34 | 3 | 4 | 8-φ30 | 810 | 847 | 175 | |
| 100 | 430 | 265 | 210 | 172 | 150 | 38 | 3 | 4.5 | 8-φ30 | 810 | 950 | 194 | |
| 125 | 500 | 310 | 250 | 210 | 176 | 42 | 3 | 4.5 | 8-φ34 | 830 | 1141 | 285 | |
| 150 | 550 | 350 | 290 | 250 | 204 | 46 | 3 | 4.5 | 12-φ34 | 830 | 1240 | 450 | |
| 200 | 650 | 430 | 360 | 312 | 260 | 54 | 3 | 4.5 | 12-φ4l | 830 | 1425 | 850 | |
| 16.0 | 50 | 300 | 215 | 165 | 132 | 88 | 36 | 3 | 4 | 8-φ25 | 590 | 562 | 92 |
| 65 | 340 | 245 | 190 | 152 | 110 | 44 | 3 | 4 | 8-φ30 | 810 | 743 | 165 | |
| 80 | 380 | 260 | 205 | 168 | 121 | 46 | 3 | 4 | 8-φ30 | 830 | 820 | 216 | |
| 100 | 430 | 300 | 240 | 200 | 150 | 48 | 3 | 4.5 | 8-φ34 | 830 | 935 | 238 | |


溫馨提示:
本文中的文字、數據、圖片僅作為參考。需要了解更多J941H電動法蘭截止閥的使用性能、外形結構、安裝尺寸參數、價格,索取
J941H電動法蘭截止閥說明書及產品選型樣本,請聯系我們。